AMRO 分体火焰可调燃烧器-天然气/柴油

AMRO 3 GD MC
型号: AMRO 3 GD MC
燃气流量: 60m3/h-280m3/h
功率: 560kw-2800kw
燃料: 天然气/柴油
型号: AMRO 3 GD MC
燃气流量: 60m3/h-280m3/h
功率: 560kw-2800kw
燃料: 天然气/柴油
AMRO 分体火焰可调燃烧器-天然气/柴油

下载技术资料


AMRO 3 GD MC

AMR / AMR-O燃烧器的范围是普通燃烧器的带火焰定位的增强钢系列。AMR / AMR-O燃烧器系列符合欧盟安全标准(CE标准),并根据EN ISO 9001:2008质量体系进行制造。AMR / AMR-O系列的设计适用于大多数热水,蒸汽,导热油和许多其他应用的安装。借助火焰记录器技术,可以使火焰的形状适应炉膛的可用尺寸。


燃烧头

采用优质材料制成,具有耐热,减少磨损和损坏的特点;火焰盘采用专门设计,以燃烧的燃料为基础,以确保出色的湍流和完美的燃烧。低NOx头设计(根据要求)通过电极直接点火。先导点火,用于气体操作或空气和/或蒸汽雾化


主要用途

AMR / AMR-O设计为可使用不同类型的燃料。它可以与标准燃料一起使用,例如天然气,柴油,石脑油和混合燃料。根据要求,可以创建特殊版本以与特殊燃料一起使用,例如沼气,乙醇,废气,煤气,正燃气等。AMR / AMR-O系列非常适合大型设备安装在热水,蒸汽,透热油锅炉和其他发热器上。GB-S系列由于其设计而适合安装在炉子,焚化炉上,安装和更换方便,非常适合应用。


燃烧器的结构

由钢筋制成,并涂有粉末涂料。根据燃气管道的位置,可以将燃气轮机安装在燃烧器的左侧或右侧。燃油泵单元单独提供。大开口方便维护内部零件,维护简便,Ambia观察镜可观察火焰,不含塑料组件,非常适合工业应用


可根据要求提供更多配置

EM版本配备了O2%电子凸轮和CO控制系统,可实现更好的燃烧,减少污染物和燃料消耗。仅在EM版本中可用带有变频器版本的可能性可以在机器上安装面板或单独提供两种燃料的同时运行“防爆”版本,基于任何ATEX风险分类,可根据要求提供更多定制


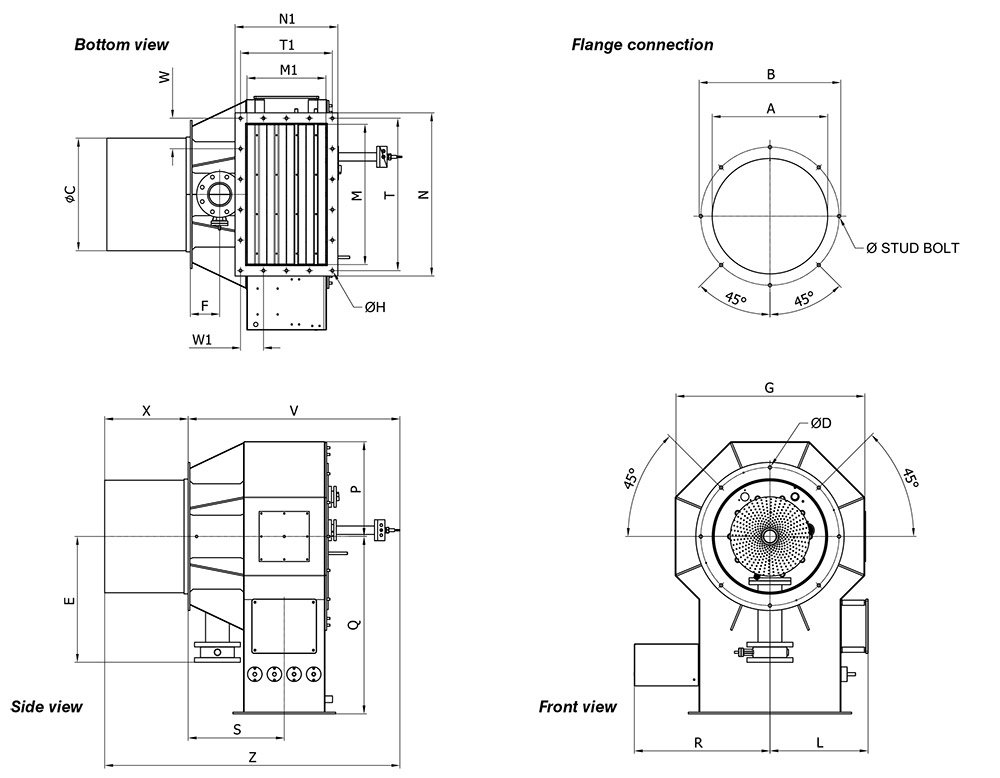
ABCøDEøHLGMM1NN1PQRSTT1VWW1XZø STUD BOLT
27035624016374145006004002205003203006005082904502705401501355001040M14x50


(X*)上述X值会根据不同低氮要求进行更改,标准配置为X=500.如果需要不同的尺寸,请联系将军中国联络处获取更多信息。

尺寸以mm标书,仅供参考,如有更改,恕不另行通知。为了获得更准确地参数,请联系将军中国联络处。





产品描述